您好,欢迎来到JOSEF开关电器网站! 网站地图    关于我们
 HH3系列负荷铁壳开关

HH3系列负荷铁壳开关

产品参数:
产品优势:
符合标准:GB 14048.3-2002、IEC 60947-3。
产品概述:
HH3系列封闭式负荷开关(以下简称开关),适用于额定工作电压380V、 额定工作电流至600A,频率为50Hz的交流电路中,可作为手动不频繁地接通分断有负载的电路,并对电路有过载和短路保护作用。
  • 产品详情
  • 产品问答
  • 产品型号

HH3系列负荷铁壳开关

1 适用范围         

HH3系列封闭式负荷开关(以下简称开关),适用于额定工作电压380V、 额定工作电流至600A,频率为50Hz的交流电路中,可作为手动不频繁地接通分断有负载的电路,并对电路有过载和短路保护作用。符合标准:GB 14048.3-2002、IEC 60947-3。 

 2 型号及含义

 HH3系列负荷铁壳开关技术参数

 3 正常工作条件和安装条件

3.1周围空气温度不高于+40℃,不低于-5℃。

3.2安装地点的海拔不超过2000m。

3.3 湿度:

        最高温度为+40℃时,空气的相对湿度不超过50%,在较低的温度下可以允许有较高的相对湿度,例如20℃时达90%。对由于温度变化偶尔产生的凝露应采取特殊的措施。

3.4周围环境的污染等级为3级。

3.5开关应安装在无显著摇动、冲击振动和没有雨雪侵袭的地方,同时安装地点应无爆炸危险介质,且介质中无足以腐蚀金属和破坏绝缘的气体和尘埃。

 4 主要参数及技术性能

主要技术性能及参数(见下表)

 

 

5 结构特点

1开关在结构上设计成侧面旋转操作式,共分四部分,操作机构、熔断器、铁壳和触头系统。

2操作机构有快速分断装置,开关的闭合和分断速度与操作者手的动作速度无关,因而保证操作人员和设备的安全。

3触头系统带灭弧室,触头系统全部装在铁盒之内,完全处于封闭状态,保证人员安全。

4罩盖关闭后可以与锁扣楔合,当开关在闭合位置时,由于罩盖与操作机构联锁,罩盖不能打开,罩盖没有关闭时,操作机构使开关不能闭合。另外罩盖也可以加锁。

 

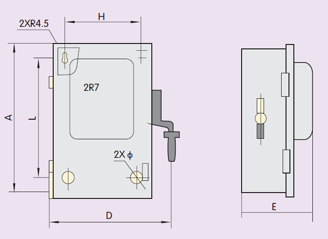
6 外形及安装尺寸

 

 HH3系列负荷铁壳开关外形尺寸图

7 订货须知

        订货单位须注明开关的型式特征,电压等级,电流等级,极数,操作方式及数量等,特殊订货请咨询我公司技术部门。

       例如:HH3-100  380V  10台

 
QQ在线咨询
售前热线
021-55560736
售后热线
18116134756

邮  箱:cnhgq@foxmail.com

邮  编:201206

厂  址:上海市曹路钦塘工业园钦塘东南1号

销售地址:上海市浦东新区金高路1296-124号

© Copyright JOSEF Inc. All rights reserved. 

沪ICP备08020013号-13

电子营业执照