您好,欢迎来到JOSEF开关电器网站! 网站地图    关于我们
 KO3系列倒顺开关

KO3系列倒顺开关

产品参数:
产品优势:
产品概述:
KO3系列倒顺开关适用于交流50Hz三相三线制的电路中作变换相序接线之用,如控制电动机顺逆转动等。
  • 产品详情
  • 产品问答
  • 产品型号

适用范围
KO3系列倒顺开关适用于交流50Hz三相三线制的电路中作变换相序接线之用,如控制电动机顺逆转动等。
型号及其含义
 KO3系列倒顺开关型号及含义
结构特征
本系列倒顺开关由六个相同的蝶形动触头和九个U形静触头及一组定位机构组成。具有薄钢板防护式外壳。触头为双断点形式, 由中间转轴作其分断和闭合,定位机构能使触头迅速、正确动作,不致停留在任何中间位置。
主要技术参数
 KO3系列倒顺开关技术参数
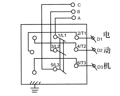
接线图
 KO3系列倒顺开关接线图

外形及安装尺寸

KO3系列倒顺开关接线图外形及安装尺寸图

 
QQ在线咨询
售前热线
021-55560736
售后热线
18116134756

邮  箱:cnhgq@foxmail.com

邮  编:201206

厂  址:上海市曹路钦塘工业园钦塘东南1号

销售地址:上海市浦东新区金高路1296-124号

© Copyright JOSEF Inc. All rights reserved. 

沪ICP备08020013号-13

电子营业执照