您好,欢迎来到JOSEF开关电器网站! 网站地图    关于我们
 HH15系列隔离开关

HH15系列隔离开关

产品参数:
HH15(QSA)系列隔离开关熔断器组,HH15A(QA)、HH15P(QP)系列隔离开关zzHH15S(QSS)、HH15AS(QAS)、HH15PS(QPS)系列双投转换开关(以下简称开关),适用于交流50Hz、额定电压至660V、约定发热电流至3150A的具有高短路电流的配电电路和电动机电路中
产品优势:
开关结构简单、操作方便,符合IEC60947-3、GB14048.3标准,广泛用于较高级的抽屉式低压成套装置中。
产品概述:
开关结构简单、操作方便,符合IEC60947-3、GB14048.3标准,广泛用于较高级的抽屉式低压成套装置中。
  • 产品详情
  • 产品问答
  • 产品型号

HH15系列隔离开关熔断器组 HH15A.HH15P系列隔离开关
HH15S.HH15AS.HH15PS系列双投转换开关
适用范围
    HH15(QSA)系列隔离开关熔断器组,HH15A(QA)、HH15P(QP)系列隔离开关zzHH15S(QSS)、HH15AS(QAS)、HH15PS(QPS)系列双投转换开关(以下简称开关),适用于交流50Hz、额定电压至660V、约定发热电流至3150A的具有高短路电流的配电电路和电动机电路中,用作手动不频繁操作的主开关或总开关,其中QSA、QSS系列开关可作电路短路保护之用。
    开关结构简单、操作方便,符合IEC60947-3、GB14048.3标准,广泛用于较高级的抽屉式低压成套装置中。
型号与含义
HH15系列隔离开关型号及含义
结构特征
    1、开关采用正面旋转操作方式,由操作机构、触头系统、手柄等组成。
    2、开关采用全封闭式结构,静触头及灭弧系统均组装在由新型耐弧工程塑料压制而成的壳体内;并装有弹簧储能、瞬时释放的加速关合机构,极大的提高了开关的电气性能与机械性能。
    3、开关具有独特性能的触头系统,动触头系统均由四个压缩弹簧的铜滚柱组成,每个滚柱都能单独滚动,从而更有效地防止触头熔焊的发生;若发生故障时触头压力会随电流的增大而增加,使开关承受较大的短路电流。
    4、HH15A(QA)隔离开关的触头系统由双联触头串联而组成,HH15P(QP)隔离开关的触头系统由双联触头并联而组成,双投转换开关由两台相应的单投开关左右并排而组成。
    5、操作手柄可安装在开关柜门上,当柜门关上时手柄即与开关的操纵杆楔合,当开关处于闭合位置时,手柄与柜门联锁,可防止柜门的打开。
主要技术参数
额定绝缘电压Ui:690V
额定工作电压Ue:AC400、660V
额定频率:50Hz
额定接通能力(A r.m.s):10le
额定分断能力(A r.m.s):81e辅助开关约定发热电流(AC-15):5A
HH15(QSA)系列隔离开关熔断器组的主要参数
HH15(QSA)系列隔离开关熔断器组的主要参数
HH15(QA)系列隔离开关的主要参数
HH15(QA)系列隔离开关的主要参数
HH15P(QP)系列隔离开关的主要参数
HH15P(QP)系列隔离开关的主要参数
5、双投转换开关的主要参数请参照相应的单投开关
外形与安装尺寸
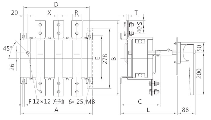
1、HH15(QSA)-63~800外形与安装尺寸
      HH15(QSA)-63、125A(3N与4极开关在3极开关的基础上增加图片中所示虚线部分)
HH15(QSA)-63~800外形与安装尺寸
      HH15(QSA)-160、250、400A(3N与4极开关在3极开关的基础上增加图片中所示虚线部分)
HH15(QSA)-630、800、1000、1250A
      HH15(QSA)-630、800、1000、1250A(3N与4极开关在3极开关的基础上增加图片中所示虚线部分)
HH15(QSA)-630、800、1000、1250A外形尺寸
HH15(QSA)-630、800、1000、1250A安装尺寸
主要技术参数
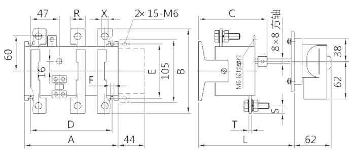
2、HH15A(QA)-125~1000外形与安装尺寸
      HH15A(QA)-125、200A(3N与4极开关在3极开关的基础上增加图中所示虚线部分)

HH15A(QA)-125~1000外形与安装尺寸

      HH15A(QA)-400、630A(3N与4极开关在3极开关的基础上增加图中所示虚线部分)

 HH15A(QA)-1000A外形尺寸

      HH15A(QA)-1000A(3N与4极开关在3极开关的基础上增加图中所示虚线部分)
HH15A(QA)-1000A外形尺寸
HH15A(QA)-1000A技术参数
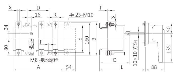
3、HH15P(QP)-250~1600外形与安装尺寸
      HH15P(QP)-250A(3N与4极开关在3极开关的基础上增加图中所示虚线部分)
HH15P(QP)-250~1600外形与安装尺寸
      HH15P(QP)-630、1000A(3N与4极开关在3极开关的基础上增加图中所示虚线部分)
 HH15P(QP)-1250、1600A
      HH15P(QP)-1250、1600A(3N与4极开关在3极开关的基础上增加图中所示虚线部分)


4、HH15P(QP)-2500.3150A外形与安装尺寸

5、双投转换开关外形与安装尺寸

6、面板开孔尺寸
 HH15P(QP)-1250、1600A开孔尺寸
安装与调整
1、安装深度
    安装深度指安装板(脚)至面板表面的距离,安装尺寸中”L”为开关出厂时正常给定的安装深度,若用户要求”L”以外的安装深度时,请在订货时说明。
2、安装顺序

  如图所示,开关安装顺序为:开关本体一操纵方轴一柜门面板一操作手柄,安装时手柄应处于水平位置,并指示”O”位。
3、调整方轴的深度
    根据开关到柜门面板的距离,在安装深度L值的范围内调整方轴的深度(若距离较小,低于L值中最小值,可将方轴锯掉—部份),调定后锁紧固定螺栓。
4、安装手柄
    根据方轴的轴中心或通过开关外形与安装尺寸的计算,确定手柄的安装中心位置,并按面板开孔尺寸(见图12)在柜门面板上开孔,然后将手柄固定在柜门面板上。
5、双投转换开关中方轴的装配
    1).将一圈套套在方轴上,并保证尺寸C不小于表中C值,然后拧紧圈套上的紧固螺钉;
    2).将方轴垂直穿入支架中心孔,把另一圈套自下向上套入方轴,再将方轴下端穿入齿轮孔,然后将下圈套端面贴近支架中心孔下端面后拧紧螺钉。(注意:装配前应使两边开关均处于断开”O“位置)

 
QQ在线咨询
售前热线
021-55560736
售后热线
18116134756

邮  箱:cnhgq@foxmail.com

邮  编:201206

厂  址:上海市曹路钦塘工业园钦塘东南1号

销售地址:上海市浦东新区金高路1296-124号

© Copyright JOSEF Inc. All rights reserved. 

沪ICP备08020013号-13

电子营业执照